一、产品概述
“YUYZY-1中央空调空气处理系统实训装置”是从实训教学需求的角度出发,以工程化的设计理念完整地实现了全空气中央空调调节系统的工作过程。
二、系统特点
1.工程化概念强——实训装置的整套控制系统大部分采用工业现场实际应用的部件。
2.技术先进——控制系统部分应用了代表当今中央空调控制系统技术潮流的LONWORKS总线技术,它充分考虑了系统的可扩展性和与楼宇其他子系统的兼容性。
3.开放性好——整套实训装置采用透明化、开放式设计,实训者能够直观清晰地了解整个装置的工作过程,系统控制部分源代码完全开放,实训者可自行添加或修改,进行创新性、设计性实训。
三、系统组成
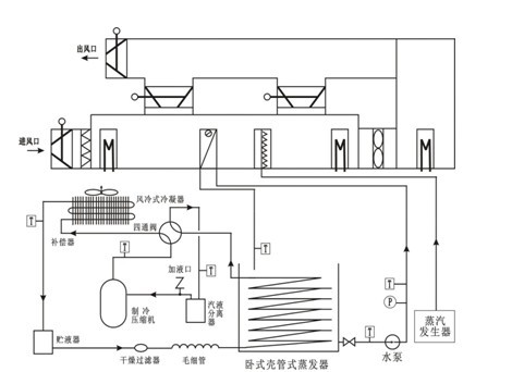
中央空调系统是由换热器、加湿器、过滤、风扇、传感器等组成。使用不锈钢和有机玻璃材料防止设备生锈和老化。设备配有真实的恒温供暖、恒温冷气系统,直观生动地把工业实际应用展现出来,简洁明了。采用带标准LonWorks通讯接口的控制器,保证了中央空调系统与楼宇系列其他子系统及管理层的无逢集成。对象系统集成了四个部分的内容:
1.空气系统区
2.热交换区
3.操控及数据显示
4.电气控制区
中央空调对象结构及控制系统的结构图如下图所示。

四、实训项目
1.封闭式系统冬季运行工况
2.封闭式系统夏季运行工况
3.直流式系统冬季运行工况
4.直流式系统夏季运行工况
5.一次回风系统冬季运行工况
6.一次回风系统夏季运行工况
7.二次回风系统冬季运行工况
8.二次回风系统夏季运行工况
相关产品: