随着现代电子信息技术的进步与发展,人们的生活方式发生了巨大的变化,更加偏向于智能化、人性化、网络化,人们已经不再满足于传统简单的住宅居住空间,于是符合网络时代潮流的新型智能家居产业逐渐兴盛起来。智能家居是以住宅为平台,采用先进的传感器技术、无线通信技术、自动控制技术组建一个人性化的智能家居系统,满足人们舒适、快节奏、高效的生活需求。本文结合单片机接口技术以及串行通信技术设计了智能家居系统,该系统具有的功能是:当煤气传感器模块、人体红外感应传感器模块感应到数据或者烟雾传感器模块采集的数据超过设置的额定值时,报警指示灯亮,并通过蜂鸣器发出警报,通过GSM模块传到远程的手机终端,再由手机终端对智能家居系统进行控制。
1 系统总体设计
本设计主要由AT89S51单片机、室内环境监控系统、远程传输模块等部分组成。室内环境监控系统是设计的重要部分,包括煤气传感器模块、人体红外感应传感器模块、烟雾传感器模块、报警模块,是对室内环境进行实时监测,当人体红外感应传感器模块或烟雾传感器模块检测到数据、烟雾传感器模块采集的数据超过设置的额定值时,触发报警模块,报警数据通过GSM模块传输到手机终端,手机终端再由GSM模块把控制信号反馈到控制终端。系统总体方框图如图1所示。

图1 系统总体方框图
2 硬件设计
2.1室内环境监控系统设计
室内环境监控系统由煤气传感器模块、人体红外感应传感器模块、烟雾传感器模块、报警模块等部分组成。煤气传感器采用半导体气敏式煤气传感器MQ-5,该传感器的工作原理是传感器所处环境中存在煤气时,传感器的电导率会随空气中煤气浓度的变化而变化,再将电导率的变化转化成相应的电信号。煤气传感器输出的模拟信号值较小,先需要接一个放大电路将信号放大,然后再接一个模数转化器ADC0809将模拟信号转数字信号接单片机的P1口。MQ-5具有灵敏度高、响应速度快、稳定性优异、寿命长、驱动电路简单等优点,非常适合煤气泄露监测。
人体红外感应传感器采用人体红外传感器HC-SR501,该传感器的工作原理是人体恒定的37摄氏度体温发射的10UM左右的红外线通过传感器的菲泥尔滤光片增强后聚集到红外感应源上,红外感应源上的热释电元件在接收到人体红外辐射温度时就会失去电荷平衡,向外释放电荷,经后续电路检测处理后就会变成相应变化的电流、电压。红外感应传感器输出较简单,直接与单片机的P0.0接口连接即可。
烟雾传感器采用离子式MQ-2型烟雾传感器,离子式烟雾传感器工作原理是传感器的内外电离室装有放射源镅241,产生的正、负离子在电场的作用下各自向正负电极移动,正常的情况下,内外电离室的电流、电压都是稳定的,当有烟雾窜逃外电离室,就会干扰正、负离子的正常运动,电流、电压也随着发生变化。烟雾传感器输出的是模拟量,需要接入模数转化器ADC0809再与单片机P2口连接。MQ-2具有价格低、嵌入低功耗CMOS微处理器、手动测试与复位、性能稳定,具有独立/联网/无线输出等优点。非常适合家用火灾防范设计。
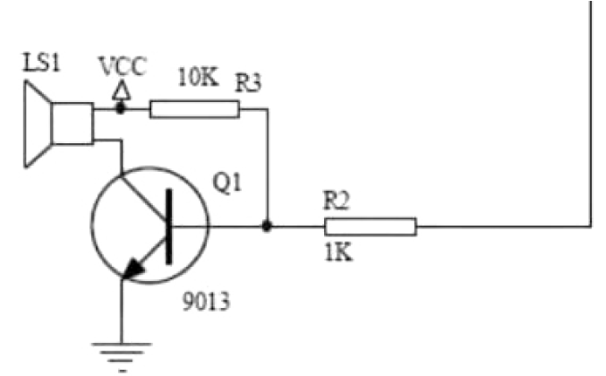
报警模块采用蜂鸣音报警电路,蜂鸣器报警电路是设计采用压电式的蜂鸣器,与单片机的P0.1接口连接,单片机的输出值经过驱动器的放大,蜂鸣器就发出声音;压电式的蜂鸣器大约需10mA的电流,可以采用一个晶体的三极管来驱动,如图2所示:在图中,P0.1接晶体管的基极。当P0.1输出的是高电平,晶体管就导通,压电式的蜂鸣器的两端获得大约5V电压时鸣叫。当P0.1输出的是低电平,三极管就截止,蜂鸣器也停止发出声音。

图2 蜂鸣音报警电路
2.2远程传输模块设计
远程传输模块采用GSM模块,它是一个类似于手机的通讯模块,包含了手机的短信、通信等功能,通过使用AT指令可以与手机直接进行通信。GSM模块的UART口与单片机的相对应的串口连接,手机通过GSM模块对温度、烟雾以及红外信号进行接收并将反馈信号发送到室内环境监控系统控制端。
3 软件设计
智能家居中的各个传感器对家居的模拟数据量进行收集、检测,采集后的数据经过A/D转换器传输给主控单片机,主控单片机向报警模块发出报警信号,同时通过GSM模块向手机终端发送相关信息,手机终端再通过GSM模块把反馈信息传输给控制终端。单片机采集数据程序流程图如图3所示。

图3 单片机采集数据程序流程图4结束语
论文提出了一种低成本、实用、可靠、操作方便的智能家居系统的设计方案,系统的软件程序经过编译软件KeilC51反复调试,并通过仿真软件PROTUES进行过仿真,达到了预期满意的效果。但不足的是该设计方案还处于仿真阶段,还未进行实物论证,后续还需要完善。
上一篇:浅谈汽车造型发展与功能的关系
下一篇:机械设计制造及其自动化的发展趋势
本站部分图片和内容来源于网络,版权国内自拍 在线 亚洲 欧美所有,如果您认为我们侵犯了您的版权请告知我们将立即删除 沪ICP备16023097号-11