伴随着我国经济建设的快速发展及新型城镇化建设的进程加快,作为建筑物的一种垂直交通工具——电梯,使用数量在逐年增加,无论是保有量、年产量还是年增长量均为世界第一位。
然而,在电梯使用率不断上升的同时,电梯因关人和困人而引发的人员伤亡事故也在不断出现,其所产生的社会影响较大,引发了人们对电梯安全的极大关注。政府及人民群众也对电梯应急救援工作提出了更高的要求。实现电梯轿厢内的紧急报警装置有效畅通,采用对讲系统与救援服务机构保持持续联系和进行有效应答,是保证电梯正常运行的基础。
电梯紧急对讲装置是指在组织机构(如值班室)设置的对讲主机和在电梯轿厢设置的分机之间进行通话的通信系统。特别是当电梯供电电网外部停电、门系统以及控制系统等发生故障时,出现电梯停在非平层区或电梯不能正常开门,发生困人的情况下,由轿厢内被困乘客向救援组织或机构发出救援信号的一种通信装置。它的有效设置是及时传递乘客实时信息,第一时间与被困乘客保持无障碍通话,安抚和安全解困乘客常用的必不可少的通信工具。
1 问题提出
在一般情况下,当电梯轿厢内发生困人时,就会造成被困者得不到及时的救援,被困于狭窄的空间中,产生恐慌和害怕的心理。在这种情况下,乘客就有可能急于逃出轿厢,而采取一些盲目、鲁莽的自救行为。经调查发现近72%的人在被关后会出现手足无措,擅自强行扒门或跺门等现象。这些危险的动作和行为将会产生意想不到的后果,严重者会导致人身伤亡的事故发生。因此,根据现行特种设备法律和规范的要求,电梯紧急对讲装置的有效完整是电梯设备竣工前,进行工程验收的必备条件,也是对在用电梯每年实施强制性定期检验要求的重要检验检测项目之一。
目前,电梯紧急对讲装置在日常的使用环节中,还存在不少的问题。主要表现在其使用单位和维保单位对该装置重要性的认识不清和意识不强,规范性管理不到位和对该装置的资金投入不足等。造成了对该装置在使用管理、维护保养和日常检查等环节,出现了管理上的缺乏和失控现象,从而直接或间接导致了电梯紧急对讲装置的被盗、损坏、失效以及无人接听、无人应答等问题。
2016年在对某县420台电梯定期检验中,发现有251台电梯紧急对讲装置均存在不同程度的问题,占此次检验总台数的60%左右。存在的问题主要表现在:使用单位或维保单位未及时进行定期维护和检查,对于已经损坏的未及时进行维修和更换。明显存在装置失效的有105台约占总台数的42%;轿厢与值班室间未装紧急对讲装置的为83台约占总台数的33%;在进行紧急对讲装置通话过程中音量小、有杂音和不清晰等情况的有30台约占总台数的12%;检验中发现按下轿厢内的紧急报警电话按钮在进行紧急呼救时,有25台电梯的管理(值班室值班)人员呈现无人接听或无人应答状态,这种情况约占总台数的10%;电梯紧急对讲装置遭到破坏或偷窃的有8台约占总台数的3%。其存在各种问题的分布情况如图1 所示。
另外,在420部电梯紧急对讲装置中,更有近337台未在其对讲装置附近张贴使用说明,约占检验总台数的80%左右。也有近356台电梯紧急对讲装置的无障碍设施如装设位置稍高,约占检验总台数的85%,导致坐轮椅的残疾人和一些少年儿童被困时,触及不到该紧急对讲装置。

图1 电梯紧急对讲装置存在各种问题的分布图
从以上数据显示存在较多共性的问题,是紧急对讲装置本身设备的对讲系统失效,在众多紧急对讲装置失效的案例中,其中一例无线紧急对讲装置失效的现象引起了笔者的关注。
该电梯紧急报警装置是在原有线对讲系统的基础上,经过改装的无线紧急对讲装置。当按照轿厢内紧急报警使用说明进行操作试验时,按下轿厢内的紧急报警电话按钮,在等待拨通的被呼叫电话时,从轿厢内的紧急报警通话装置的喇叭中,均听到了“欠费停机”的语音提示现象。很显然,这种情况即使有值班人员,也不能实现轿厢与救援机构(值班室)的有效应答。因此,该电梯的紧急对讲装置是不符合规范要求的,该项目的检验结论判定为不合格,从而提出整改意见。
2 紧急对讲装置组成及工作原理
电梯紧急对讲装置属于类似对讲机的双工对讲工作模式,所谓双工对讲,是指使用双方可以同时讲话,而不用互相通过开关切换来一讲一听,即双向同时进行的通信方式。电梯紧急对讲装置一般分为有线对讲和无线对讲系统,而无线对讲系统具有无须施工辅架线、大范围电梯无线集中管理、后期维护成本低、信号干扰少和通话质量好等优点。另外,值班室或监控室可根据需要进行位置调整,也可通过设定为移动电话,转接到相应负责人员的移动电话或手机上,方便管理或维保人员及时实施应急救援工作等,此种装置在我市被得到广泛应用。
在该案例中,电梯的无线紧急对讲装置采用有线+移动通信的形式实现,即采用程控机(客户端)+移动终端(手机)的通信方式。
无线对讲系统呼叫流程如图2所示。程控电话机的主板安装在操纵箱内,该程控电话机的功能设置为电话记忆键功能,且一个记忆键只能存储一个电话号码。在该程控电话机安装后,将使用单位值班、维保或有关人员的移动电话号码,设置在该程控电话机上。当电梯内发生乘客被困时,只需按标识为“电话”的按钮,即可实现记忆键拨号功能,实现与维保或者其他人员的联系。

图2 无线对讲系统呼叫流程图
图2所示为该例无线对讲系统整个呼叫流程,具体流程如下:①轿厢内如果有乘客被困,首先应通过轿厢内的紧急报警电话按钮进行呼叫;②通过单位内部程控电话机(固定电话)接至本地公共电话网(PSTN网络);③本地公共电话网(PSTN网络)接至公共移动通信网络;④通过公共移动通信网呼叫值班人员或维保人员移动电话;⑤值班人员或维保人员接通电话,与轿厢内被困人员进行通话安抚或救援。

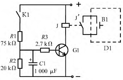
图3 紧急对讲装置呼叫电路
图3 所示电路是该例电梯紧急对讲时的报警呼叫电路。该电路是利用电梯轿厢内部的应急报警装置12V的电源供电,由电梯轿厢内的标识为“电话”图标的救援按键K1(或电梯轿厢内带有“警铃”图标的紧急报警按钮)、偏置电阻R1、放电电阻R2、电解电容器C1、限流电阻R3、三极管G1、继电器J以及程控机D1等组成。
当电梯出现故障,造成电梯停运时。轿厢内被困人员按下开关K1时,电解电容器C1充电,大概几秒后,三极管G1饱和导通,继电器J得电,其触点J'吸合,由于J'与程控电话D1的记忆键B1接通。那么程控电话D1自动拨通原存储在本程控电话D1中的移动电话号码,呼叫值班、维保或相关人员的移动电话,进行轿厢内乘客与值班等人员之间的双方通话。电话接通后,电解电容器C1内残余的电能,通过放电电阻R2、限流电阻R3和三极管G1释放,以供下次使用。
3 紧急对讲装置失效分析
该电梯的紧急对讲装置采用的是利用单位内部局域网的数字程控电话交换机系统的一个程控电话机(客户端),作为电梯轿厢的呼出电话。然后,通过拨叫在该程控电话机中存储的移动电话号码,进行对外通信联络。因该程控电话机仅储存一个移动电话号码,且该两台电梯的紧急对讲程控电话机均存储同一维保人员的移动电话号码,而当时该维保人员的移动电话正处于“欠费停机”状态。所以,在检验时就出现了上述“欠费停机”,无法接通电话的现象。
从该例电梯无线紧急对讲装置组成原理的分析可知,该对讲系统还存在以下几个问题:当存储在该程控电话机中的相关人员的手机处于意外关机、欠费停机、无人接听以及通信信号弱的情况下,该电梯的急救信息均不能通过该对讲装置进行有效的传递;另外,这两台电梯的无线紧急对讲装置均存储同一移动电话号码,会造成一部正在进行对讲,处于通话状态时,另一部会因线路占线而不能进行通信联系,无法进行通话,不能实现另一部电梯对讲装置的有效应答;此外,该例对讲装置中的固定电话接听按键安装于轿顶上,轿内人员无法触及,会造成此类对讲装置只能实现在轿厢内呼叫维保或相关人员单向联系的情况。
4 紧急对讲装置改进方案和完善措施
4.1改进方案
首选的改进措施是对于采用移动电话的用户端,应在用户端的移动电话机上,设置呼叫转移功能,或向移动通信网络运营商办理自动转接业务,如“无应答呼叫转移”、“不可及呼叫转移”以及“遇忙转移”等业务。当用户端的移动电话处于关机、信号弱、寻呼不响应、线路占线以及无线信道拥堵的情况下,会自动呼叫转移到约定的另一个程控电话机或移动电话上。
其次,向移动通信网络运营商预存一定的电话资费,或办理银行自动转账业务,用于支付电话资费,以避免该移动电话出现“欠费停机”的问题。还可以把移动电话机更换为移动公话,这样,在值班室任何人均可以进行接听。
建议在电梯轿厢内增加程控电话机的数量,以便可以同时呼叫两部程控电话机(或两部移动电话),这样不仅解决“欠费停机”的问题,还可以解决任一部移动电话手机无法接通的问题。

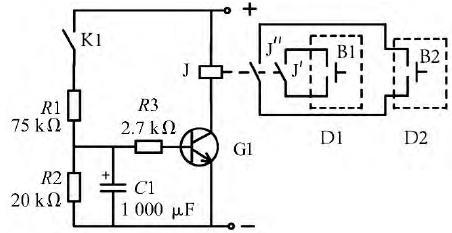
图4 对原呼叫电路的改进
图4对原呼叫电路的改进如在原电路的基础上,利用继电器J的另一触点J”,接通另一程控电话机D2的记忆键B2,实现两部移动电话或固定电话同时应答的功能,如图4所示。利用增加程控电话机数量的方法,虽然会造成资源的浪费,但在电梯数量较少的情况还是可以应用的。
建议应用低功耗单片机设计的电梯呼叫系统,即由若干个(每一部电梯轿厢内的紧急按钮)系统发送端和一个系统接收端(值班室)的“多对一”系统,可以实现无线传输和报警显示等功能。
4.2管理方面的完善措施
针对上述问题,各地负责电梯监管的部门主要从立法层面规范了电梯的使用行为。比如,一些地方出台了地方性的法规规定了若电梯紧急报警装置无效,不能正常使用,由负责电梯安全监督管理的部门责令电梯使用单位限期改正,逾期未改正的,依法予以封停,并立案进行处罚。此举措对于完善电梯紧急对讲装置的有效性,发挥了一定的威慑力,并起到了促进作用。
同时呼吁相关管理和主管部门,切实加强对电梯紧急报警装置重要性的宣传教育,提高公众对电梯紧急报警装置的安全意识,指导乘客正确使用电梯紧急报警装置。建议使用单位在电梯轿厢内安装视频监控设备,以便能及时发现乘客困梯的实时状况,及时了解轿厢内的情况,为实施救援工作提供第一手现场资料。对于未安装视频监控设备,最好配备乘客困梯语音提醒功能,及时提醒乘客采取有效的方法求救。
维保单位应加强对电梯紧急报警装置的检查和每半月的维保工作。检测检验单位也应严格执行现行标准和安全技术规范的要求,严把现场检验关,对不符合要求的紧急报警装置,要及时发出整改意见通知书,督促使用单位限期整改完善。
5 结束语
电梯紧急报警装置是紧急时刻联系被困乘客和救援人员的纽带,通过该紧急报警装置可以有效地保障受困者的人身安全,及时营救被困者安全离开轿厢。所以,要高度重视该装置在应急救援使用环境中的积极作用,力求为乘客提供一个安全、放心的乘梯环境。
通过对一款改装的电梯紧急无线对讲装置组成原理、失效现象及原因分析,提出了解决此类无线对讲装置失效的两种方案:在原程控交换机呼叫的移动电话上增加“呼叫转移”功能,使这个移动电话再转接至另外一个移动电话或固定电话机上;或在原程控交换机上,再增设一个固定电话客户端,依次或同时拨通两部电话机等。同时,在电梯管理方面,提出了加强立法监督,规范电梯使用行为,提高公众整体的安全意识,指导乘客的正确使用等措施。通过上述方式的积极应对和管理方面的完善措施,解决了该类改装的无线对讲装置在进行电梯紧急报警时的有效通话问题。
下一篇:谈现代机械设计方法与未来机械设计
本站部分图片和内容来源于网络,版权国内自拍 在线 亚洲 欧美所有,如果您认为我们侵犯了您的版权请告知我们将立即删除 沪ICP备16023097号-11