当代社会风能和太阳辐射能源是取之不尽、用之不竭的,是人类能够自由利用的能源之一。在世界能源短缺、环境污染日益严重的今天,充分利用取之不尽太阳能是世界各国政府可持续发展的能源战略决策。因此本设计将采集风能和太阳能的能量转换成电能存储起来,为体育馆各个设备提供持续不断的电能的系统,极大的节约能源,保护环境,实现人类与大自然和谐相处的愿望。
1 系统硬件构成
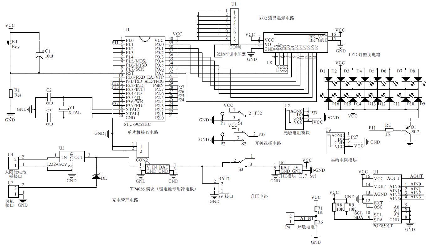
该系统主要由单片机核心电路、光照检测电路、充电管理电路、升压电路、开关电路、LED照明电路组成、1602液晶显示电路组成。系统框图如图1所示。
1.1单片机核心电路
本文所选单片机控制芯片为STC89C52单片机。片上Flash允许程序存储器在系统可编程。在单芯片上,拥有灵巧的8位CPU和在系统可编程Flash,使得STC89S52为众多嵌入式控制应用系统提供高灵活、超有效的解决方案。
1.2光照检测电路
本系统中光照检测电路采用光敏电阻对光照阈值进行判断处理。光敏电阻模块对环境光强最敏感,一般用来检测周围环境的亮度和光强。模块在无光条件或者光强达不到设定阈值时,D0口输出高电平,当外界环境光强超过设定阈值时,模块D0输出低电平。

图1 系统框图
1.3LED灯照明电路
本系统中照明电路采用16个高亮白发白LED灯,通过三极管S9012来控制灯的亮灭。
1.4开关选择电路
本系统中开关选择电路主要是将路灯控制分为手动模式和自动模式,手动模式下可以自由的开灯或者关灯,自动模式下通过光敏电阻根据光照强度自动控制灯的开和关。
1.5太阳能电池板/风能发电机充电电路、锂电池充电电路、升压电路
本系统中选择5-12V的太阳能电池板和5V的风能发电机作为发电元件,发电后经过L7805CV芯片稳压后,将发电后的电压稳在5V,然后,在经过TP4056模块给锂电池进行充放电,同时因为锂电池的电压为3.7V-4.2V,而本设计的单片机、光敏电阻模块和LED灯模块均为5V供电,所以用升压模块将3.7V的电压升到5V来给设备供电。
1.61602液晶显示电路
单片机从传感器采集到的信号进行处理,实时监测热敏电阻数值的变化。当超过预先设定的阈值时,驱动风扇转动。低于预先设定的阈值时,风扇不转动。实现智能化。
2 理论设计计算
2.1风力发电输出功率统计方法
大量实验表明,风力发电机的输出功率与风速间的关系为:
Pw=cp(Ttsr)πR2V3/2
式中P为空气密度;R为风力机半径;cp(Ttsr)为风机的风能利用系数;Ttsr为叶尖速比;V为风速;Pw为风力发电机的输出功率;风能利用系数为叶尖速比的函数。
在工程的实际应用中,风电场的出力过程一般是根据风机与风速相关的功率曲线,利用测风塔与风机轮毅同高度的实测平均风速查出对应该风速的风机功率,进而得出一年中每个时间段内的风电场出力,从中选取每个月典型日风电场输出功率进行分析研究。例如,选取某地区典型日的风电场出力曲线(如图2所示就可以看出,该地区夏季白天风小,夜里风比较大,且风的随机波动性较强,甚至在很短的时间内风速还有无规律的脉动变化,这种能量的不稳定性给风能的使用带来了困难。

图2 输出功率图

图3 外围电路图
3 原理图设计
本设计使用的STC89C52RC单片机外围电路如图3所示,有效的降低风能不稳定,实现了将采集到的风能和太阳能的能量给蓄电池供电,通过升压模块,为体育馆各个设备提供电能,通过设置开关S1来控制体育馆灯的亮灭。通过打开自动挡开关S2,感应光线强弱来实现夜晚体育馆自动亮灭。通过观察1602液晶屏幕上显示数据,当运动员人体温度超过热敏传感器事先设定的阈值时,继电器模块驱动体育馆风扇转动。低于设定的阈值时,风扇自动停止。
4 结论
太阳光的密度比较分散,所以体育馆LED照明在原有的基础上,添加风能组成新型的照明系统,利用风能与太阳光能互补,不仅可以节约能源,还可以减小蓄电池的容量,并且可以在一定程度上可以解决连续阴雨天气对太阳能路灯的影响。
本文主要以单片机为控制对象,实现了将光伏板以及风能发电机的不稳定输出转换成可用于充电的稳定电压。为体育馆各个照明设备提供电能,通过设置开关来控制体育馆灯的亮灭。通过打开自动挡开关,感应光线强弱来实现夜晚体育馆自动亮灭。通过1602实时监测运动员人体温度,当超过热敏传感器事先设定的阈值时,继电器模块驱动体育馆风扇转动。达到为降温的作用。
该系统具有集成度和系统稳定度高、设计周期短、可扩展性强的特点。
上一篇:智能化电子产品中单片机技术的应用
下一篇:电梯井道土建问题对电梯安装的影响
本站部分图片和内容来源于网络,版权国内自拍 在线 亚洲 欧美所有,如果您认为我们侵犯了您的版权请告知我们将立即删除 沪ICP备16023097号-11