《电机应用技术》是机电一体化技术专业的核心课程,具有实践性强、学习任务量大、应用面广的特点,同时该课程也是学生考取中、高级维修电工资格证书、毕业就业的基础。通过本课程的学习,重点培养学生的创新能力和实际动手能力,使学生了解常用电机、变压器的结构、工作原理、使用方法,熟练掌握常用低压电器、基本电气控制电路的结构与工作原理,能对生产机械电气控制线路进行安装与故障检修,适应维修电工的工作要求。面对入学成绩差、不想学、学不会的高职学生上课时不是睡觉就是玩手机的现状,如何让这样的学生愿意去学习,快乐地去学习,并且能够学会一些知识,掌握一些技能是进行课程改革的目的。
一、课程改革思路
在经过数次的调研与商讨之后,我们确定的课改思路是“一条主线,三个改变”。一条主线是课程教学体系的构建要以职业能力的培养为主线。三个改变分别是: 第一,改革课程教学内容,根据人才培养目标和岗位能力要求整合教学内容,并依据教育教学规律和学生认知规律进行序化,构建目标明确、难易适中、理实一体的项目化课程模块; 第二,改革教学方法,采取多样的教学方法,转换教师角色,课堂要充分体现以学生为主体,做中学,学中做的特点; 第三,改革考核方式,激发学生学习的积极性,培养学生自主学习的意识。
二、教学观念的改革
传统教学中,课堂以教师为主体,教师教什么,学生就被动地学什么,教师关心的是这门课程我讲了多少,时间够不够用,而忽视了学生接受了多少,理解了多少,学会了多少。因此,本门课程要首先从观念上进行改革,即: 课堂教学要以学生为主体,让学生从被动地学变成主动地学,参与到学习中去,教师从主导地位变成导演角色,重点放在课堂设计与组织上,关注学生的学习情况,进行适当引导,不要把讲了多少知识作为有没有完成教学任务的标准,而要以学生学到了多少知识作为依据。
三、教学内容的改革
课程内容的改革遵循从简单到复杂,由单个逐步到整体的规律,从电动机到以学院电动伸缩门为载体的基本电气控制线路,再到复杂的机床控制线路,设计了三个学习项目,三个学习项目下又分为十二个工作任务,常用低压电器元件的学习分散到各个电气控制线路中,需要什么学习什么( 如表1 所示) 。

表1 《电机应用技术》课程内容整体设计
四、课程实施
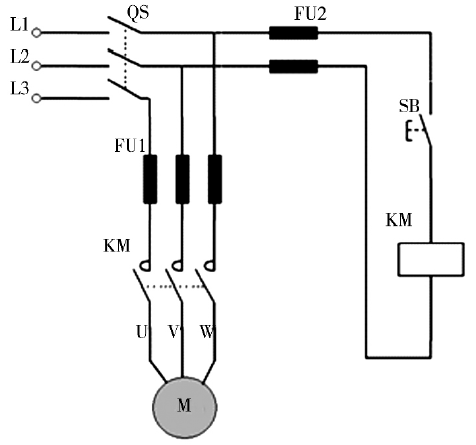
课堂如何组织,学习内容如何让学生逐步地接受,以电动机自锁控制电路为例,说明卡片拼图法在课程实施中的应用。要先明确学习内容,教师提前设计好单元设计,单元设计中要设计好什么时候进行什么工作,需要多长时间,学生做什么,教师做什么,分工明确。具体实施如下: 先采取卡片法和汇报讲解法回顾复习上节课学过的元器件及电动机点动控制电路内容,然后布置本节课任务,同时下发学生用的学习资料。学生先各自从书上找答案,接下来进行小组讨论,合作学习,期间为了活跃课堂气氛,利用旋转木马法相互交流自己自学到的内容,然后回到各自的小组中整理教师布置的任务的初步答案,尝试着利用自制的拼图教具把自锁控制电路拼一拼。自制的拼图是把电路中用的元器件用软件画出来,裁成独立的元器件符号( 如图1 所示) ,打乱,用的时候根据理解选择需要的元器件符号组成电路,元器件可以构成点动电路( 如图2 所示) ,加入几个就可以构成自锁,还可以拼成更复杂的电路。这一方面加深了学生对元器件的认知,拼好后电路的原理基本上也了解了;另一方面学生在玩中学,激发了学习兴趣,学习效果好。拼好之后,学生对电路的认识又多了一些,接下来在任务单上把工作原理和实物接线图尝试着做出来,小组讨论,合作选择出优秀的作品进行展示,选派代表进行讲解,互相补充,不完善的地方教师加以补充讲解。到此,学生对电路基本上已经能做到心中有数了,接下来领取工具进行实施,教师监控实施过程。最后,根据实施情况进行检查,自评、互评、教师评价,做好记录,任务圆满完成。
在整门课程的实施过程中,带学生到工厂去参观实际电控柜的安装,到车间去跟着师傅学习机床操作,加深对课程的理解和认识。
课程实施总结如下:
元器件部分的学习采取“一自学,二拆装,三测试”三阶段学习法。

图1 卡片拼图中的部分元器件

图2 单个元器件拼成的点动电路
电路部分的学习按照“一拼图,二分析,三连线,四实操”四阶段逐步递进学习。
实施过程采用六步教学法,按照资讯、计划、决策、实施、检查、评价六个步骤,期间结合多种教学方法,充分调动学生学习积极性。
授课全过程完全体现以学生为主体。从以上展示的图片可以看出,学生在做中学,教师变成了课堂的导演。
课程的考核评价采取过程考核和期末综合考核相结合的办法,其中过程考核占70%,期末综合考核占30%,过程考核贯穿整个课程的实施过程,综合素质评价和技能训练考核各占50%,分别设计有相关的评价表。综合素质评价主要考虑课堂纪律、语言表达、团结协作和学习能力等; 技能训练考核根据不同的任务设计有不同的考核表,根据操作能力、操作规范和安全意识进行评价,加上平时表现登记表,确定学生的过程考核成绩。期末综合考核采取教考分离的形式进行,授课教师不参与期末综合考核,另外设立考核小组,从试卷、答辩、实操三个方面对学生进行考核。
五、几点感悟
通过实施课程改革,学生能够制作PPT 汇报文稿,认真规范完成学习资料填写,熟练选择所需要的元器件型号,自觉主动地利用业余时间完成摇臂钻床的配盘任务。学生不需要进行额外的培训即可顺利通过维修电工职业资格证书考核中配盘和故障分析考试,到企业从事电控柜安装工作的时候,上手很快,得到企业的好评。同时,通过课改,教师完善了课程的课程标准、整体设计、单元设计、电子课件、相关学习资料等教学资源,并编写了该门课程的配套教材,通过和学生的共同学习,对于职业教育教学方法的掌握有了很大提升。针对实施过程中存在的一些问题,我们的解决方案如下:
一是学生自我控制能力较差,分组学习时学生自学时间应控制在10 分钟左右,把学习内容分成几个阶段去推进,以保持学习的积极性。
二是学生的学习方法有待进一步培养。学生喜欢有问题直接问老师,缺乏自主学习的意识。教师在授课的过程中要加强引导,帮助学生学会举一反三。
三是学生存在眼高手低的现象。初次学习元器件时,拆装的时候都很明白结构,实际接入线路的时候开始发懵,说明知识并没有做到学以致用、灵活掌握,多加练习是提高技能的唯一途径。
四是尝试对学生采取分层次教学。根据课程进展情况,学生慢慢出现了两极分化,我们对不同的学生制定不同的学习目标,保持他们对于学习的兴趣和参与度,只有小有收获才能激发他们继续学下去;按照这个方法,班里98% 左右的学生都能参与学习,愿意拿起工具去干活,后期甚至出现了线和工具都不够用的情况,因为每个人都去干活了。
五是教书的同时还要育人。融洽的师生关系是教书育人的前提,做一个学生信任的、喜欢的教师尤为重要,只有这样才能让学生愿意听你的话,接受你的教育。因此授课的过程中,不仅仅传授知识,还要把做人的道理融入进去,在潜移默化中慢慢培养学生良好的行为习惯。
上一篇:刍议楼宇自动化系统的现状和发展
下一篇:基于项目教学的电子工艺课型构建
本站部分图片和内容来源于网络,版权国内自拍 在线 亚洲 欧美所有,如果您认为我们侵犯了您的版权请告知我们将立即删除 沪ICP备16023097号-11