一辆2009年上海大众帕萨特轿车,搭载的1.8TSI涡轮增压发动机,车辆行驶158572km,同时配备安装日本爱信公司生产的TF-60SN(大众公司命名为09G)型6挡自动变速器。
故障现象:该车最初在综合修理厂报修故障,车辆正常行驶时升降挡一切正常,当行驶到70km/h左右急加油门时车辆冲击比较明显。当时修理厂维修人员对车辆试车时,确认故障现象和客户描述故障基本一致,车辆正常行驶正常,但是在60~70km/h时按照客户开车方法突然加大油门,也就是急加油门时车辆冲击比较严重,并且是偶发的,并不是每一次都有冲击,但是频率还是比较高的,出现故障时仪表显示为(该车仪表有挡位显示功能)5-4挡,偶尔3-4挡也有冲击感,3-4挡冲击现象频率相比5-4挡的概率要少一些,这样也充分验证了客户报修的故障,只是3-4挡是我们试车才发现的故障现象。
故障诊断:由于该车是偶发性强制降挡故障,所以该修理厂在维修时先做了一些简单维修,首先更换自动变速器油,修理厂所更换的是大众6速变速器专用油、火花塞、点火线圈,又清洗节气门并做了匹配。试车故障现象丝毫没有改变。大家都知道,日本爱信公司生产的变速器型号包括55-51/50、TF-80/81、U660和U760等系列自动变速器,阀体比较容易出现问题,并且大部分都是和换挡品质有关系。那么在接下来的维修过程中,先更换了一块拆车的阀体,如图1所示(由于该修理厂不敢确认是否是阀体问题,所以更换拆车件),结果故障还是没有改变,该修理厂又询问了同行以及认识自动变速器维修的朋友,可能还是阀体问题,之后果断换了一块全新的阀体,如图2所示。安装后进行油位查询、自动变速器过程学习匹配和路试学习,这次故障现象基本上没有了,特别是60~70km/h急加油门的现象没有了,就这样修理厂的维修人员欣喜若狂的以为真正的故障点已经找到了,就是阀体的问题,大家也非常高兴的邀请客户试车,客户也满意的结账后提车。正在大家兴奋还没有结束的同时也就是客户提车一个星期后,客户打电话投诉故障现象又一次出现,但是没有之前那么严重,修理厂就让客户再开一段时间看看故障现象还有什么变化,客户也同意在开几天试试看。刚好这次客户出差跑了一趟长途,在高速公路上再次出现故障并且冲击比维修之前还要严重,升降挡冲击和顿挫感都非常明显,偶尔还会锁挡。

图1 拆车阀体

图2 全新阀体
返厂后,通过路试确认故障现象,客户所叙述的在60~70km/h急加油门(也就是5-4挡)以及大油门时,3-4挡有时也冲击,事已到此难道是变速器内部机械有问题了吗?实在没有办法了,该修理厂就把变速器拆下来,然后解体,对于非专业人员来说,解体自动变速器能不能找到问题所在,这还是一个疑问。在解体之后他们并没有发现内部机械有异常现象,他们非专业维修自动变速器可能只是简单的解体,看看摩擦片之类的有没有烧而已,也不会完全把每一个离合器鼓彻底分解检查(这种情况必须有专业人员和专用工具才能做到)。而是简单的更换修理包和一些密封元件后,组装变速器,然后试车,故障还是和来时的现象没有区别。在这种情况之下,维修师傅们居然排除变速器的原因,把思路转向外围,继续检查,先后更换了节气门、空气流量传感器以及加速踏板,也无济于事。该更换的不该更换的也都更换了,现在只有变速器控制单元没有更换了。当控制单元到货后,安装变速器控制单元并且进行匹配完成,就进行试车,故障现象依然和当初一样。在这种情况之下,修理厂找到我们并把车辆送到我们厂进行故障诊断和维修。

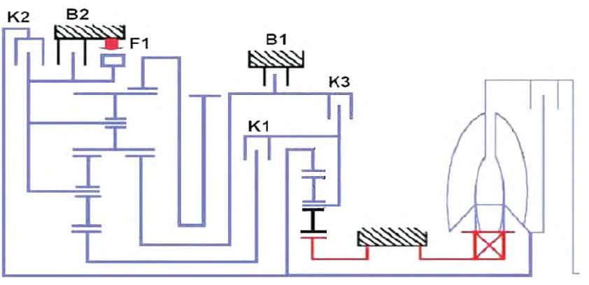
图3 传动路线图

挡位元件工作说明
在车辆进厂后,首先用诊断仪进行检测,居然没有故障码。接着路试,故障现象确实如客户之前所说现象一模一样。进一步检查,按照我们自己的维修经验和思路,怀疑内部机械元件损坏可能性比较大。这款变速器橡胶活塞损坏的比较多,在我们维修过程中经常遇到,怀疑毕竟是怀疑,要拿数据依据才能充分证明判断结果。接下来要逐一进行油压检查测试,那么我们重点在故障点着手进行油压测试,首先查看传动路线原理图(图3所示)和工作元件图(如表4所示),可以看出来,为什么5-4挡和3-4挡会出现冲击了,首先看3挡、5挡、倒挡共用离合器K3,1挡、2挡、3挡、4挡共用离合器K1,从故障以及元件工作原理初步判断K1/K3离合器损坏的概率非常大。进行各个油压检测,首先用自动变速器压力测试机对K1和K3的油压检测,同时对其他所有离合器也一同检测,在进行油压检测时K2、B1、B2离合器压力都在正常范围内,稍微接近正常值的最低值。这个也算是正常现象,车辆已经行驶了十几万千米,在之前又进行过简单维修和带病工作,但是K1和K3离合器的压力数值也在正常值最低范围,这个按照正常判断应该是没有问题的。我们的压力测试机还有一个功能就是加压测试(压力测试机有正常压力检测和加压检测两个功能,我们维修变速器时都要进行这两个步骤才能保证我们的维修质量),当对K1离合器加压时油压测试机显示下降趋势,这也说明了K1离合器已经有问题了,特别是对K3离合器加压测试油压时油压表直接下降,这个也充分验证我们之前的判断,K3 离合器也有问题,应该比K1离合器还要严重,故障已经确定。安排人员先把变速器拆下来后,解体变速器,再做全面细致的检查各元件的具体损坏情况。
当然,在分解变速器时我们应该重点对影响到升降挡冲击的离合器已经进行详细全面检查,并且重点结合实际故障情况的5-4挡和3-4挡时参与的工作元件进行细致检查。通过对故障所体现的3挡、4挡、5挡作为重点检查对象,对应前面的挡位工作图(4挡是K1离合器参与工作,而3挡、5挡是K3离合器参与工作),这样我们有针对性地进行K1、K3离合器检查,在分解离合器K1时摩擦元件还算正常,只是摩擦片有一点磨损而已。
K3离合器的摩擦元件有烧灼的现象(如图4所示),这也验证了我们之前的判断。作为自动变速器维修人员应该知道,离合器片只是最基本的工作元件,是被动工作的,是什么问题造成的呢?肯定是执行部分出现问题了,那么哪些是执行元件呢?首先发动机的功率、控制单元和阀体等已经排除,问题已经非常明确说明离合器本身出现问题了。接下来用专用工具把每一个离合器全部拆解,仔细检查时发现橡胶活塞都比较硬,特别是K1的橡胶活塞,在检查K2的橡胶活塞时发现活塞的裙边已经有一块已经反过来了(如图5所示)。那一块都快要掉了,这个就是我们加压时泄压和客户之前报修行驶冲击的罪魁祸首,而正常的橡胶活塞是相当柔软的(如图6所示)。

图4 离合器摩擦片

图5 K2活塞老化损坏图片

图6 新活塞
故障排除:更换所有离合器的橡胶活塞、K1/K2离合器摩擦片、油封等,全部清洗安装后我们又重新进行离合器打压检测,这次离合器压力值已经接近最高点,加压测试已经达到最高点了,组装后试车故障彻底排除。
故障总结:这个看似一个简单的故障案例,在实际解决过程中并不是那么简单,它需要我们维修人员一定要对新型自动变速器的控制原理、工作原理和结构类型充分了解,这样在维修过程当中就可以实现一次性解决故障和维修率,达到客户的最终满意度。
上一篇:楼宇自动化控制系统的构成与应用
本站部分图片和内容来源于网络,版权国内自拍 在线 亚洲 欧美所有,如果您认为我们侵犯了您的版权请告知我们将立即删除 沪ICP备16023097号-11